在2017年2月USB-IF組織發布了重要更新,可編程電源PPS(Programmable Power Supply),旨在為當今的快速充電解決方案提供統一的規范。瞬間,PD快充成為2017 年至 2018 年的旗艦手機的標配。PD以雙向快充,以及各種協議的兼容的特點使其迅速在其他領域快速推開,在移動電源、支付類設備、相機、平板電腦、筆記本電腦、顯示器、穿戴式設備等等都加持的快充。從2018年至今,又有越來越多移動電源以及車充支持大功率充電,為PD快充的普及增添動力。
在2020年5月25號,USB-IF協會推出了USB Type-C線纜和接口標準v2.1版本,其中更新了有關供電能力的章節。USB PD3.1規范將原來的USB PD3.0內容歸到標準功率范圍(Standard Power Range,簡稱SPR)里面,最大功率保持100W不變;同時增加了擴展功率范圍(Extended Power Range,簡稱EPR),最大功率由100W擴展到240W。
根據USB-IF協會公布的資料顯示,在擴展功率范圍EPR中,新增了28V、36V和48V三種固定電壓檔和三種可調電壓檔(Adjustable Voltage Supply,簡稱AVS)。
其中最大電流等級維持最大5A不變;100-140W功率是28V AVS,電壓范圍是15V-28V;大于140W到180W功率是36V AVS,電壓范圍是15V-36V;大于180W到240W是48V AVS,電壓范圍是15V-48V。
USB PD3.1拓展了PD快充的應用范圍,從20V的最高輸出提升到48V,功率從100W同步提升到240W。功率的增加將拓展更多的應用范圍,為多串鋰電池應用,便攜式儲能應用以及PC等應用提供電力。利用通用的USB PD3.1,減少設備專用充電器的生產,降低產品成本,并且利用USB PD3.1生態,加速快充普及。
功率電感面臨的挑戰
PD的輸入/輸出電壓抬升到28V/36V/48V后,在PD電路中的電壓轉換部分,將發生很大的變化。從應用終端,除了滿足更大的功率外,還需要支持更高的輸入/輸出電壓,除了電源拓撲中的功率管要選用更高制程的工藝外,在功率電感的選型上,也發生了非常巨大的變化。我們先梳理一下電感耐壓是怎么一回事。
關于電路中,功率電感的電流,電壓波形,上一篇文章我們有詳細講述其工作原理,具體可參考:《電感,只看DCR,飽和電流嗎?》。但這都是理想中的工作波形,實際上,在真正的開關電源電路中,工作起來的電壓波形是這樣的。
此圖摘錄于ETA鈺泰科技某款高壓15A開關電源芯片實測波形
在我們之前介紹開關電源原理時,理想的SW電壓波形應該是規整的方波,但為何在實際電路中,SW voltage waveform上升沿和下降沿會有一個尖峰呢,這個尖峰會有什么影響呢?
我們將一個周期的功率回路的寄生電路進行解析。
在主功率開關管Q1由斷開進入閉合時,Q1導通瞬間,正在導通Q2的VD突然被加上反向電壓,在瞬間會產生非常大的反向恢復電流,即,從SW到GND會產生很大的di/dt,通過寄生電感L2會產生很高的電壓幅值(也在SW節點沿邊電壓)。且,之后L1、L2與VD反向恢復時的等效電容C產生諧振,進而引發更高的電壓尖峰,且伴隨著振鈴現象。
從實際摘錄的波形看,尖峰電壓是開關導通時的電壓的大致1/4大小,如果功率回路的寄生參數不夠理想,尖峰電壓會更高(在大功率PD的應用當中,基本上都是外置開關管,由于走線原因與工作電流,所以寄生效應是不可避免的)。而此處展示的還只是Buck電路,在升壓Boost電路當中,SW的尖峰值會更高,升壓的原理是通過電感本身的儲能和輸入電壓相互疊加,使得輸出電壓抬升,在瞬間積壓的恢復電流會更大,di/dt也會更大。
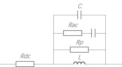
在SW出現這樣的尖峰脈沖電壓,對電感有哪些影響嗎?答案是有非常大的影響,在絕大多數便攜式消費類產品中,電壓都非常低,一般都小于等于24V,所以關于電感的工作電壓,絕大多數情況基本不需要關注。但當出現需要高壓輸入輸出的應用時,SW電壓被抬升,對電感的應用,這是非常關鍵的參數。那么高耐壓對電感有哪些影響,以下是電感的等效電路圖。
以上是電感的等效電路圖,在實際的應用當中,這些寄生電路中的Rp亦稱之為絕緣電阻,當輸入電壓通入電感的某一個電極,銅線與磁芯之間,當有超過極限絕緣電壓值的時候,將會擊穿Rp,使得電感電極一端與另一端發生短路,同時正處于MOS管導通時期,電感失去限制電流上升能力,從而產生很大的短路電流,直接導致電路發生損壞。
針對PD3.1,需要28V,36V,48V的輸出時,不論是多節鋰電池串聯的應用,還是其他升降壓的電源電路,由于輸入或輸出的電壓提升,實際在SW端的瞬間工作電壓是非常高的。
三體微超高工作耐壓的一體成型電感,支持非常高的工作電壓,絕大部分系列支持100V以上的絕緣耐壓,個別型號可以支持150V以上的耐壓特性。如SCHH1260 Series,大功率貼片電感,優化了ACR,采用低熱阻磁粉,優化效率,電感溫升,根據實際電源拓撲需要的感值,選取1.0-22uh的感值。
三體微推出高耐壓一體成型電感SCHH1260系列

用于USB PD3.1大功率電感選型表,SCHH1260,電感尺寸約為13*13*6mm,涵蓋1μH到22μH,滿足常用開關頻率需求,同時具有加強的絕緣防止短路,電感支持100V耐壓以上。
三體微 SCHH1260尺寸一體成型電感充電頭網共拿到四款樣品,滿足大功率USB PD不同應用需求,3T絲印代表三體微電子,3T下方代表的是電感感值。
SCHH1260-1R0M一體成型電感,電感值為1μH,標稱直流電阻為1mΩ,飽和電流最大32A。
SCHH1260-3R3M一體成型電感,電感值為3.3μH,標稱直流電阻為5.2mΩ,飽和電流最大20A。
SCHH1260-6R8M一體成型電感,電感值為6.8μH,標稱直流電阻為8.2mΩ,飽和電流最大13A。
SCHH1260-100M一體成型電感,電感值為10μH,標稱直流電阻為12mΩ,飽和電流最大10A。
以上是三體微電子最新推出的用于USB PD3.1電壓轉換電感,由于USB PD3.1功率升高,故需要大感量大電流的電感來滿足高功率輸出需求。三體微SCHH1260系列一體成型電感具有100V耐壓,方塊封裝便于增添散熱措施,相較磁環電感更加適合應用在USB PD快充和移動電源以及高壓設備中。
充電頭網總結
USB PD3.0通過時間證明,是一款非常成功的快充標準,應用方面涵蓋主流消費類設備,如手機、筆記本電腦、移動電源等,同時支持的設備還在不斷增加。但USB PD3.0推出時超前的100W功率,已經滿足不了現在高性能計算設備的需求,USB PD3.1也就應運而生。
USB PD3.1相比USB PD3.0,輸出功率由100W提升到240W,電流保持5A不變,電壓由最高20V提升到48V,可以承載更高的功率,可以滿足一些電動工具,掃地機器人及高性能計算設備的需求,繼續拓展USB PD快充的通用性。通過USB PD快充的通用,減少專用充電器的生產,從而減少地球上的垃圾。
三體微針對USB PD3.1應用,推出大功率高耐壓電感,可滿足即將到來的48V高電壓輸出。相較磁環電感,直接貼裝免去過孔焊接步驟,同時扁平設計可以更好的與導熱材料貼合,便于散熱設計,適合高功率密度的設計。
公眾號名稱:三體微電子
聯系方式:
深圳辦事處:
電話:186-2030-3145
郵箱:caifei@scientic.cn
上海辦事處:
電話:189-1614-9910
郵箱:zhaowenqing@scientic.cn


http://www.xtzz.cc/







